首页 > 应用 > 植物

植物

大自然赋予植物的“内在美”,需要三维CT才能更好地欣赏

应用

植物种类繁多,对于植物结构的三维形态表征一直是植物研究者的追求,传统切片方法只能得到“片面”的图像,三维CT扫描因其无损性、无需制样、三维全息结构等优点,受到植物研究者们的青睐。

图片

  • 竹子
  • 花生
  • 茴香种子
  • 谷物
  • 香菜种子
  • 黑珍珠番茄种子
首页 > 应用 > 汽车

汽车

车辆工程师在X射线CT扫描的帮助下,让汽车更安全、更可靠

应用

X射线无损检测在汽车行业发挥了关键作用,广泛应用于研发验证、质量保证、失效分析,涵盖了铸造、注塑、焊接、汽车电子、电机、新能源锂电池等多种类型的部件。

图片

  • 注塑质量鉴定
  • 焊接部分缺陷分析
  • 缺陷三维展示
  • 缺陷三维展示2
  • 铸造件缺陷分析1
  • 铸造件缺陷分析2
首页 > 应用 > 电子

电子

电子产品的集成度越来越高,复杂结构更需要三维检测把关

应用

随着电子产品的集成度越来越高、信号传输速度越来越快,PCB上的印制线和过孔的分布越来越复杂,芯片之间连接方式也越来越密集。非破坏性的X-ray CT检测方法可以获得真实的内部形貌,在电子产品的生产过程质量监测和失效分析中都必不可少。

图片

  • BGA焊球内的孔洞和裂纹
  • MEMS器件
  • TSV内部缺陷
  • U盘
  • 微型摄像头
  • 连锡缺陷
首页 > 应用 > 动物

动物

实验动物、仿生研究等都需要借助三维CT作为无损观察手段

应用

生命科学是现在及未来最为热点的研究方向之一,药物及医用植入材料的研究都需要在活体动物上进行实验,需要全面掌握实验动物体的内部结构变化数据,另外生物的内部结构是人类无法在图纸上设计出来的,对于像仿生科学这类领域也需要获得真实的生物体的内部结构。X射线三维CT检测技术是理想的解决方案。

图片

  • 小鼠关节
  • 有孔虫
  • 木虱雌性
  • 蚂蚁
  • 蝗虫关节
  • 鲫鱼
首页 > 应用 > 骨骼

骨骼

骨科实验研究中,CT扫描提供各种定量数据

应用

骨骼具有丰富的内部多孔结构,骨科药物和骨科植入物研究等都需要在活体动物上进行对照实验,X光CT成像手段可以获得不同阶段骨骼内部结构的变化。

图片

  • 3D打印牙模
  • 头颅
  • 小鼠下颌骨和臼齿
  • 小鼠关节1
  • 小鼠关节2
  • 小鼠骨关节
首页 > 应用 > 铸件注塑

铸件注塑

CT扫描让内部缺陷一览无余

应用

铸件和注塑工艺作为重要的产品制造技术,在汽车、船舶等诸多领域都有广泛应用,随着对其尺寸精度、缺陷控制的要求越来越严格,X射线CT的作用不可替代。同时,CT扫描在毛坯件中提前发现缺陷,可以帮助企业避免后续加工制造工序,为企业节省成本。

图片

  • 发动机点火线圈
  • 焊接件质量分析
  • 磁旋子
  • 铝铸件缺陷检测及壁厚分析
  • 铸件内部缺陷分析
  • 铸件内部缺陷分析2
首页 > 应用 > 锂电池

锂电池

洞悉电池缺陷,X射线CT为锂电池安全保驾护航

应用

随着锂电池被广泛应用于消费电子产品、新能源汽车、等领域,其安全性能备受关注。X射线CT技术被用于锂电池生产过程中的各个阶段,从原料到单体电池、模组、Pack包等,分析各式各样的缺陷,为锂电池安全性保驾护航。

图片

  • 圆柱电池 (2)
  • 方形电池-软连接形态
  • 极片对齐度
  • 极片褶皱
  • 穿刺(方形铝壳)
  • 金属异物
首页 > 应用 > 岩土工程

岩土工程

观察原位加载下岩土样本的内部结构变化,是进行数值模拟的基础

应用

对岩土体进行高分辨率、无损、3D、定量化、精细化地成像,得到其内部各类组构空间信息,包括骨架、基质、裂隙及孔隙等,让岩土体内部结构直观可见。 对岩土体进行了三维定量表征,可以就各类不同组分进行数量统计分析和空间展布分析,包括各类组分占有率和占有体积、分形维数等各类参数,提供了岩土体的物性参数。 对岩土体进行力学及温度场加载试验,CT直观地反映出岩土体在多场耦合情况下变化前、变化中和变化后的形态及物性参数演化,提供了岩土体演变的本构关系。 实现了岩土体的三维数字化建模,为岩土体的数字化研究奠定了基础,可以在建模的基础上进行各类力学的仿真模拟计算。

图片

  • 孔隙所占体积
  • 孔隙模型
  • 孔隙率分析
  • 数字化分析
  • 数字岩心的模型分析
  • 混凝土中的裂缝与孔隙分析
  • 灰度数据化分析
首页 > 应用 > 牙齿

牙齿

CT扫描数据帮助口腔医学发现更优的牙齿疾病治疗方案

应用

口腔医学在人们日常生活中的重要性逐渐攀升,研究人员对牙齿结构的认知是改进治疗方案的基础,CT扫描可以快速、全面地提供三维图像,以及与其它3D模型技术的结合。 三英精密的X射线三维显微CT成像系统可以在无损条件下,判断牙齿内部的裂纹方向、长度,以及龋齿内填充物的填充情况。同时,还可通过CT扫描数据快速创建牙齿的三维数字模型。

图片

  • 3D打印牙膜
  • 小鼠下颌骨和臼齿
  • 牙齿根管
  • 牙齿根管2
  • 牙齿根管3
首页 > 应用 > 增材制造

增材制造

CT扫描正在成为增材制造(3D打印)必不可少的质量检测手段和设计辅助工具

应用

首先三维CT成像技术可以成为有效的粉末原材料检测手段,可定量统计粉末颗粒中的空心率及相应的颗粒度、球形度等各项信息。 对打印成品件的内部孔隙和裂纹等缺陷可直接观察,并可进一步定量统计样品整体的缺陷率及各个缺陷的特征参数例如体积、等效直径等,为优化3D打印制造工艺参数提供可靠的参考数据。另外,对于样件内部粉末残留的情况,也可以进行检测和评估。 依靠CAD 设计模型与CT扫描数据进行对比分析的功能(数模比对),两者进行对比的偏差以不同的颜色直观表现,并进行尺寸误差的精确测量和统计。 通过对未知结构样件的三维CT测试,获得其内部结构,将CT扫描数据进行格式转化后,得到逆向设计文件,可输入3D打印机进行相应产品的生产,大大缩短了制造周期。

图片

  • 3D渲染
  • 部件内部孔隙直径分析
  • 厚壁分析
  • 实体曲率分析
  • 钛合金成品缺陷
首页 > 应用 > 考古文博

考古文博

让珍贵的文物和化石原封不动,透视三维立体全息信息

应用

考古文物的研究对象极其珍贵,具有唯一性和不可再生的特点,优先采用各种无损检测手段进行分析。X射线CT测试对样品内部结构的刻画具有高分辨率、三维立体的特点,帮助研究人员准确把握结构。

图片

  • 化石
  • 古代玉石器物表面腐蚀层
  • 古代金属表面腐蚀产物层
  • 微体化石 (2)
  • 恐龙化石
  • 考古酒樽
首页 > 应用 > 材料科学

材料科学

3D/4D CT让研究者跳出二维观察的局限,在更多维度上认识材料

应用

材料科学的发展推动着其他诸多科学技术领域的进步,而其内部结构是外在性能的决定因素。CT扫描是非破坏性测试,避免了人为加工样品而引入的缺陷,为全方位原位测试样品内部缺陷的出现和扩展提供了基础,通过对比分析不同实验过程下的样品内部三维数据,为材料性能进行全面评估。

图片

  • 三维编织复合材料
  • 多孔合金孔隙分析
  • 孔隙在钛骨骼支架中的展示
  • 树脂基碳纤维复合材料
  • 泡沫铝
  • 钛骨骼支架材料
首页 > 应用 > 生物

生物

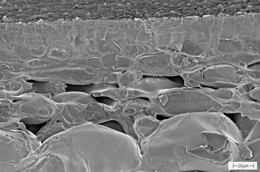
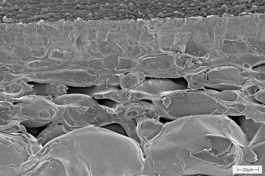
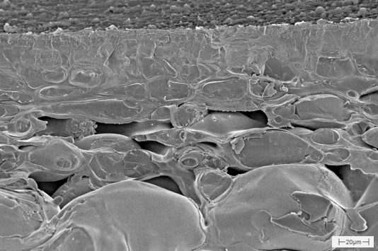
电镜制样技术在生物研究领域具有关键作用,主要用于电子显微镜(如Cryo-SEM、Cryo-TEM)的样品制备,确保生物样本在分析过程中保持原始结构,避免因温度变化、水分挥发或氧化导致的损伤。

应用

1.细胞生物学与超微结构研究 细胞器与膜结构分析: 高压冷冻结合冷冻传输技术可瞬间固定细胞(如神经元、肌肉细胞),避免化学固定剂导致的形变,使细胞膜、线粒体、内质网等超微结构在电镜下清晰呈现。
2.植物与微生物学 植物细胞壁与病原互作: 冷冻传输可保留植物-微生物互作界面的真实状态,如真菌侵染过程的超微结构观察。
3.细菌与生物膜研究: 冷冻制样能维持生物膜的天然含水量,避免脱水导致的假象,用于抗生素耐药性研究。

图片

  • 小麦叶片
  • 文竹叶片
  • 梅子树上的昆虫
  • 水蜜桃花粉
  • 海棠
  • 黄杨叶片叶脉
首页 > 应用 > 油气地质

油气地质

电镜制样技术在油气地质研究中发挥着独特作用,尤其在非常规油气储层微观表征、流体行为分析和有机-无机相互作用研究方面具有不可替代的优势。

应用

1. 页岩/致密储层纳米孔隙结构表征 有机质孔隙保存 通过快速冷冻和真空传输,可保持页岩中纳米级有机质孔隙的原始形态,避免常规制样导致的沥青质收缩。 黏土矿物孔隙网络 冷冻FIB-SEM技术可三维重建伊利石/蒙脱石等黏土矿物的层间孔隙,揭示甲烷吸附位点分布。
2. 油气流体相态与赋存状态研究 原位流体保存 高压冷冻可固定页岩裂缝中的超临界甲烷/CO₂流体,结合冷冻TEM直接观察流体赋存状态。 油气水微观分布 冷冻断裂技术能保持致密砂岩中油-水-气三相界面,为开发方案提供依据。

图片

  • 油页岩的抛光面
首页 > 应用 > 材料

材料

真空冷冻传输与制样系统在材料科学中发挥着关键作用,特别是在电子显微镜(SEM、TEM、FIB/SEM等)样品制备过程中,能够保持样品的原始结构,避免因干燥或温度变化导致的形变或污染。

应用

1. 高分子材料与软物质研究 胶体与聚合物结构分析:冷冻传输系统可防止胶体、乳液、凝胶等软材料在干燥过程中塌陷或变形。例如,高分子/SiO₂复合微球经冷冻断裂后,可在SEM下观察到空心结构,而传统干燥方法会导致颗粒沉积在表面,影响分析准确性。 化妆品与药物制剂:防晒霜、唇釉等样品在冷冻条件下可保持其微观形貌,避免因挥发或相分离导致的假象。
2. 纳米材料与多孔材料 纳米颗粒分散性研究:冷冻制样可防止纳米颗粒在干燥过程中团聚,如SiO₂纳米颗粒在溶液中的真实分散状态可通过冷冻SEM观察3。 气凝胶与多孔陶瓷:真空冷冻传输系统可避免样品因常规干燥收缩,保持其多孔结构,适用于电池电极、隔热材料等研究。
3. 生物材料与仿生材料 水凝胶与生物相容性材料:冷冻断裂后,水凝胶的3D网状结构可在SEM下清晰呈现,升华时间优化可控制水分子去除程度。 生物矿化材料:如贝壳、骨骼等生物矿物复合材料的界面结构研究,需冷冻固定以避免冰晶损伤。

图片

  • 印刷电路板截面
  • 纸张的截面
  • 金属镍片的抛光面
  • 锂电池正极的截面
  • 陶瓷微球的截面
首页 > 应用 > 食品

食品

在食品科学领域具有重要应用价值,它能够保持食品材料的原始微观结构、成分分布和物理状态,为食品品质分析、加工工艺优化和安全性研究提供高分辨率的表征手段。

应用

1. 食品微观结构分析 多孔结构食品研究 适用于面包、蛋糕等烘焙食品的气孔分布分析,冷冻传输可避免常规干燥导致的收缩变形,真实反映产品质构特性。 冷冻食品冰晶观察 通过快速冷冻和真空传输,可保持冰淇淋、速冻饺子等食品中冰晶的原始形态,用于优化冷冻工艺。
2. 食品成分与相态研究 脂肪结晶网络表征 巧克力等含脂食品中的可可脂多晶型可通过冷冻断裂SEM清晰区分,晶型比例直接影响产品熔点。 乳液与乳化体系 蛋黄酱、乳制品等水包油/油包水体系的界面结构可通过冷冻制样保留,避免常温SEM制样导致的乳液破乳。

图片

  • 苹果
  • 豆浆
  • 酵母菌
  • 酸奶
  • 霉菌
首页 > 应用 > 吸收谱

吸收谱

吸收谱

应用

XAFS 应用: 工业催化 储能材料 纳米材料 环境毒理 地质分析 重元素分析

图片

  • XAFS 应用

推荐应用

首页 > 应用 > 半导体

半导体

半导体广泛应用于许多行业,尤其在汽车电子、5G通信、人工智能、AR/VR等领域成为技术焦点。其中产品测试成为提升生产效率,保证生产质量重要的一环,大批量检测、自动化检测成为测试的首选。而白光干涉3D光学轮廓仪在半导体制造中扮演着至关重要的角色,其高精度、非接触式测量特性使其成为晶圆生产、芯片封装和先进工艺检测的关键工具。

应用

1. 晶圆表面粗糙度与平整度检测 表面粗糙度测量:白光干涉仪可检测晶圆表面的纳米级微观起伏,测量精度可达亚纳米级别,确保晶圆表面满足光刻、蚀刻等后续工艺的要求。 翘曲度(平整度)检测:通过快速扫描整个晶圆表面,构建三维形貌图,精准测量晶圆各区域的翘曲程度。这对于多层芯片堆叠和光刻工艺的精准对位至关重要,避免因翘曲导致的光刻误差
2. 光刻工艺中的结构形貌分析 在光刻后,白光干涉仪可测量光刻胶图案的线条高度、沟槽深度等微观形貌特征,确保光刻结构的尺寸符合设计要求。 其非接触式测量方式避免了对精细光刻结构的损伤,尤其适用于高深宽比结构的检测(如深槽、微孔)。
3. 晶圆减薄与切割工艺监控 减薄厚度测量:在晶圆减薄过程中,实时监测减薄后的厚度变化,确保达到设计标准,同时评估减薄后的表面粗糙度,避免引入新的缺陷。 切割槽检测:精确测量切割槽的深度、宽度及崩边情况,优化切割参数,提高芯片切割良品率。
4. 先进封装结构的表面分析 在3D封装技术中,白光干涉仪可测量不同材料界面(如硅通孔TSV、焊球凸点)的形貌特征,确保封装的可靠性和稳定性。
5. 薄膜与多层结构测量 可非破坏性测量透明薄膜厚度及多层膜厚分布,适用于半导体镀膜工艺的质量控制。通过干涉条纹分析,还能检测薄膜下的表面缺陷(如微裂纹、划痕)。

图片

  • 微透镜及微透镜阵列
  • 打标孔的深度
  • 蚀刻电路
  • 钝化层孔
  • 3D ⼗字切⼝
  • BGA 锡球共面度
  • 光刻
首页 > 应用 > 先进制造

先进制造

白光干涉3D光学轮廓仪凭借其非接触、高精度、大视野及动态测量能力,已成为先进制造中不可或缺的检测工具,推动光学、MEMS等行业的工艺升级与质量控制。

应用

精密光学元件制造 在激光雷达、AR/VR光学元件等领域,白光干涉仪的应用包括:
1.微缺陷检测:可识别深度的划痕和高度的微凸体,提升产品良率。
2.光学镜片面形精度分析:如国产设备已达到的镜片检测标准。
3.非球面透镜与自由曲面测量:结合大视野扫描和高精度,实现复杂曲面的快速检测。微机电系统(MEMS)与微纳加工
4.MEMS器件形貌测量:如悬臂梁、微齿轮等结构的3D形貌重构,支持深槽结构的高精度测量。
5.纳米压痕与薄膜分析:可无损检测多层薄膜厚度分布,为材料研究提供数据支持。

图片

  • 3D打印金属材料
  • 激光陶瓷切割
  • 类bump铜板激光
  • 蚀刻
  • 金属断口
  • 金属部件90度拐角

我们显微CT、电镜制样、吸收谱、白光干涉3D光学轮廓仪等设备均采用行业领先技术,从样品内部三维成像、表面分析,到样品制备提供各样式解决方案,帮助客户突破技术瓶颈,提升研发效率,满足不同客户的精细化检测需求。广州木星科学仪器期待成为您值得信赖的合作伙伴!

留下您的应用需求

姓名
单位
手机
邮箱
您的需求
X
联系我们
销售热线:售后服务:邮 箱:地 址:邮 编:511457
关注官方微信
Copyright ©  网站联系人: 联系邮箱: